Применение
Удовлетворит требованиям самого взыскательного заказчика и рассчитан на тяжелые условия эксплуатации и длительные нагрузки.
Предназначен для всевозможных видов фрезерной обработки, сверления, растачивания и пр. операций при производстве деталей мелкими сериями на механо - обрабатывающих, инструментальных и ремонтно-механических участках.
Для фрезерования металлических заготовок.
Описание
Универсальный фрезерный станок с поворотной головой один из самых мощных и производительных в линейке фрезерного оборудования компании.
Жесткая конструкция станка позволяет минимизировать уровень вибраций при обработке детали, для получения точных размеров обработки.
Размер рабочего стола станка 1600 х 500 мм, имеется система перемещений на серводвигателях с высоким крутящим моментом по всем трем осям, это позволяет обрабатывать трудно обрабатываемые металлы и сплавы.
Устройство цифровой индикации УЦИ повышает точность работы и снижает возможность брака.
Оборудован системой автоматической смазки, подачей СОЖ в зону обработки, светодиодной лампой освещения рабочей зоны и др. полезными опциями.
Преимущества
-
Литая станина поглощает вибрации.
-
Легко читается цифровой дисплей.
-
Рабочие вибрации минимальные.
-
Плавная регулировка скорости вращения шпинделя.
-
Станочные тиски для фиксации заготовок.
Характеристики
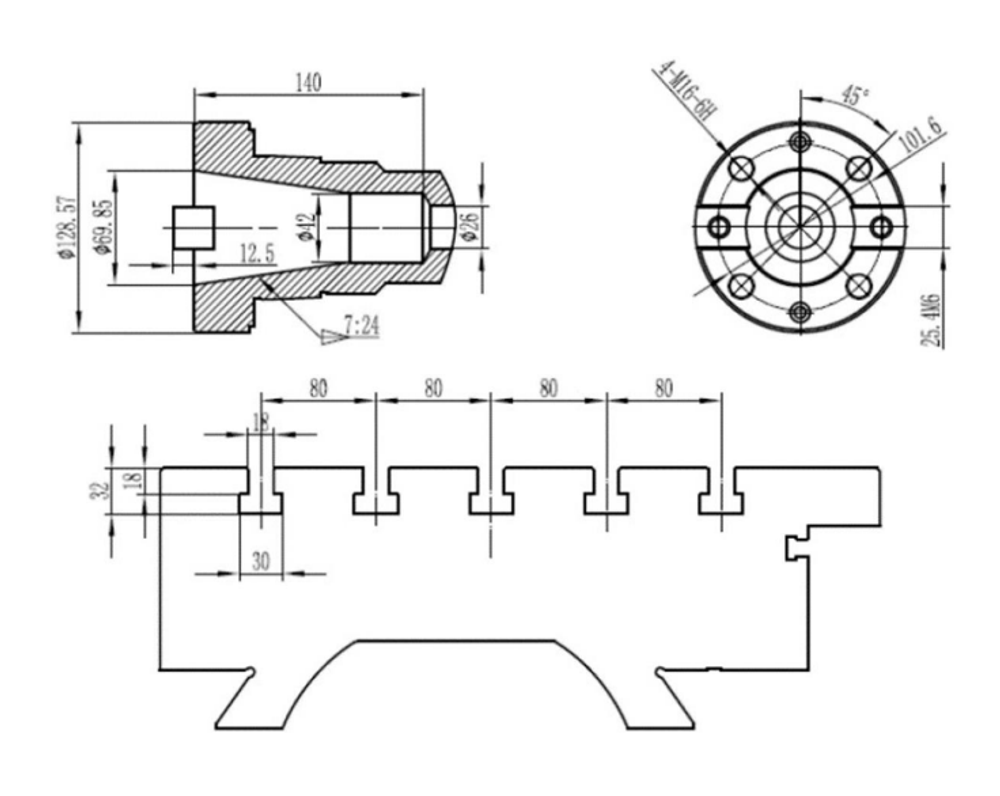
Размер стола, мм 1600 х500
Максимальная нагрузка на стол, кг 1800
Ширина Т- образного паза, мм (5) 18x 80
Ход стола по оси X и Y, мм 1200 х700
Перемещение по оси Z, мм 500
Расстояние от шпинделя до стола (ось Z), мм 50- 550
Расстояние от оси шпинделя до колонны (Y), мм 45- 745
Диапазон поворота вертикальной головы (вправо / влево) 360°
Диапазон скоростей подачи стола:
- по оси X, мм/мин 10 - 1000
- по оси Y, мм/мин 10 - 1000
- по оси Z, мм/мин 5 - 500
Конус шпинделя ISO 50
Посадка патрона B18
Частота вращения шпинделя, об /мин 30-2050 (27 скоростей)
Крутящий момент X,Y сервомотор, Нм 18
Крутящий момент Z сервомотор, Нм 27
Напряжение, В 380
Мощность двигателя, кВт 7,5
Материал обработки металл.
Макс D сверления 50 мм/М16
Длина, мм 2625
Ширина, мм 2460
Высота, мм 2080
Масса, кг 4200
В упаковке
Длина, см 250
Ширина см 216
Высота, см 230
Масса, кг 4200
Комплектация
Станок
Шомпол М24
Оправка для торцевых фрез ISO50-FMB40
Оправка ISO50 с набором цанг – Ф4-16мм - 1 компл.
Рожковый ключ 12-14
Рожковый ключ 22-24
Шестигранные ключи 5, 8, 10 – 1 компл.
Клиновые опоры (башмаки) – 6 шт.
Инструкция по эксплуатации
Тиски станочные с размером губок 136 х36 мм
Произведено Jet
Jet - это широкий ассортимент станков для работы с деревом и металлом. Большинство моделей адресовано профессионалам и предназначено для эксплуатации в условиях небольших мастерских и промышленных предприятий. Но есть и отдельная серия начального уровня для хобби.
Рекомендация "Арсенал Мастера РУ"
Pекомендуем к покупке, доставим по всей России.
Выдержка из инструкции к станку JUM-2063VXL
Servo DRO
Загружайте или выгружайте станок в соответствие с ярлыками на упаковочной коробке. Любые удары или вибрация запрещены. Осторожно откройте коробку,
иначе она поцарапает краску на поверхности станка. Открыв коробку, проверьте все принадлежности согласно упаковочному листу. Если что-то не соответствует или повреждено, своевременно сообщите дилеру или производителю для разрешения вопросов. Переместите станок с помощью погрузчика. Установите стальной проволочный трос, как показано на рис. 1 для транспортировки станка краном. Во время транспортировки при необходимости обратитесь за помощью.
Внимание: 1. Стальной проволочный трос не должен касаться поверхности станка, каждой рукоятки, ручки и маховика. Поместите деревянный брусок или мягкую ткань в пространство между стальным проволочным тросом и краем станка, чтобы не повредить краску.
2. Перед транспортировкой станка краном переместите рабочий стол на передний конец консоли, пусть два конца стола на колене будут одинаковой длины, одновременно затяните продольные и поперечные фиксирующие ручки.

Чтобы обеспечить стабильную работу и сохранить высокую точность обработки,
станок должен быть установлен на бетонном фундаменте, который должен
быть сделан в соответствии с рис. 2.

Фундамент должен располагаться на твердой почве. Поставьте станок на фундамент после того, как он полностью высохнет, затем закрепите болтами к бетону, тщательно отрегулируйте, убедитесь, что его выравнивание не превышает допустимые пределы 0.04/1000 мм в поперечном и продольном направлениях после затягивания болтов.
